Komatsu Spare Parts

Örnek İş Makinaları / Yedek Parça Sistemi

Komatsu PC200LC-6LE S/N A83001-UP 01010-81230

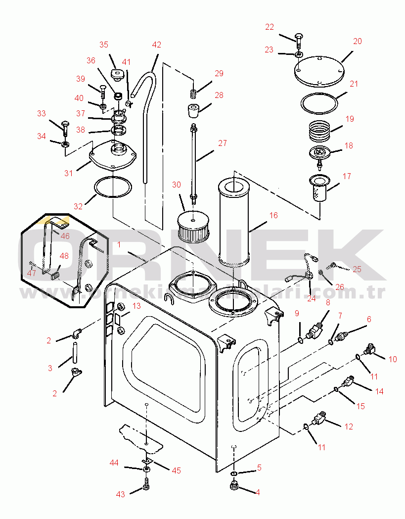
Komatsu PC200LC-6LE S/N A83001-UP FIG. H0110-01A0 HYDRAULIC TANK Part No : 01010-81230
Part Name : BOLT
Main Part : FIG. H0110-01A0 HYDRAULIC TANK
Machine Name : PC200LC-6LE S/N A83001-UP
The item you selected, is the part with no 22 at picture.
DETAILS
PLEASE CONTACT US FOR PRODUCT INFO, PRODUCT PRICE AND AVALIABILITY.