About Us
Services
Spare Parts Catalog
Komatsu Spare Parts
Contact
TR
EN
Komatsu Spare Parts
Örnek İş Makinaları / Yedek Parça Sistemi
Main Menu
PC138US-8 S/N 24510-UP
HYDRAULIC SYSTEM
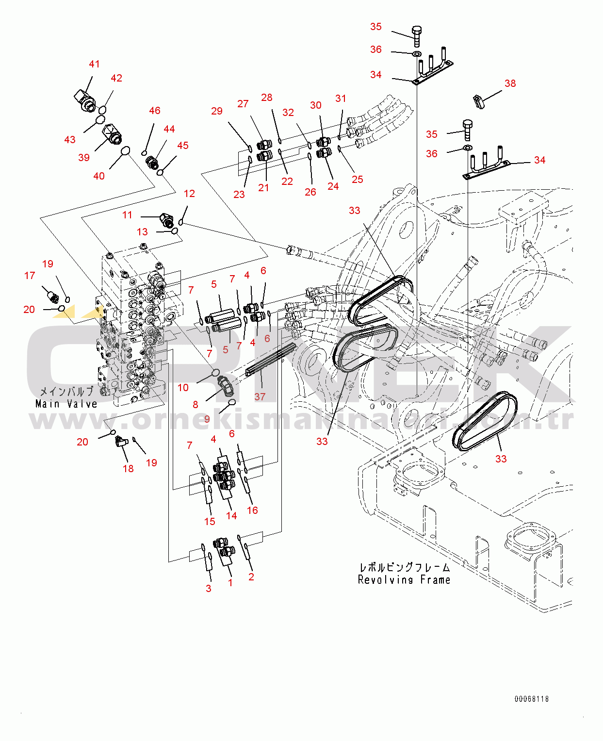
Arm and Bucket Piping, With Blade
Arm and Bucket Piping, Valve Related Parts (1/2) (#24510-)
Komatsu PC138US-8 S/N 24510-UP 207-62-64740
Main Menu
Excavators
PC138US-8 S/N 24510-UP
HYDRAULIC SYSTEM
Arm and Bucket Piping, With Blade
Arm and Bucket Piping, Valve Related Parts (1/2) (#24510-)
Part No
:
207-62-64740
Part Name
:
O-ring
Main Part
:
Arm and Bucket Piping, Valve Related Parts (1/2) (#24510-)
Machine Name
:
PC138US-8 S/N 24510-UP
The item you selected, is the part with no 42 at picture.
DETAILS
PLEASE CONTACT US FOR PRODUCT INFO, PRODUCT PRICE AND AVALIABILITY.