Komatsu Spare Parts

Örnek İş Makinaları / Yedek Parça Sistemi

Komatsu PC100-3 S/N 18001-UP 203-06-41570

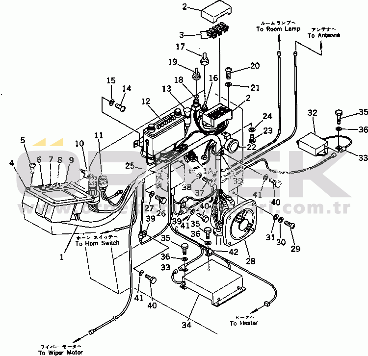
Komatsu PC100-3 S/N 18001-UP INSTRUMENT PANEL (FOR WRIST CONTROL) (WITH AUTO DECELERATION)    (WITH SWING MECHANICAL BRAKE)(#20400-21927) Part No : 203-06-41570
Part Name : SWITCH,AUTO DECELERATION
Main Part : INSTRUMENT PANEL (FOR WRIST CONTROL) (WITH AUTO DECELERATION) (WITH SWING MECHANICAL BRAKE)(#20400-21927)
Machine Name : PC100-3 S/N 18001-UP
The item you selected, is the part with no 16 at picture.
DETAILS
PLEASE CONTACT US FOR PRODUCT INFO, PRODUCT PRICE AND AVALIABILITY.