Komatsu Spare Parts

Örnek İş Makinaları / Yedek Parça Sistemi

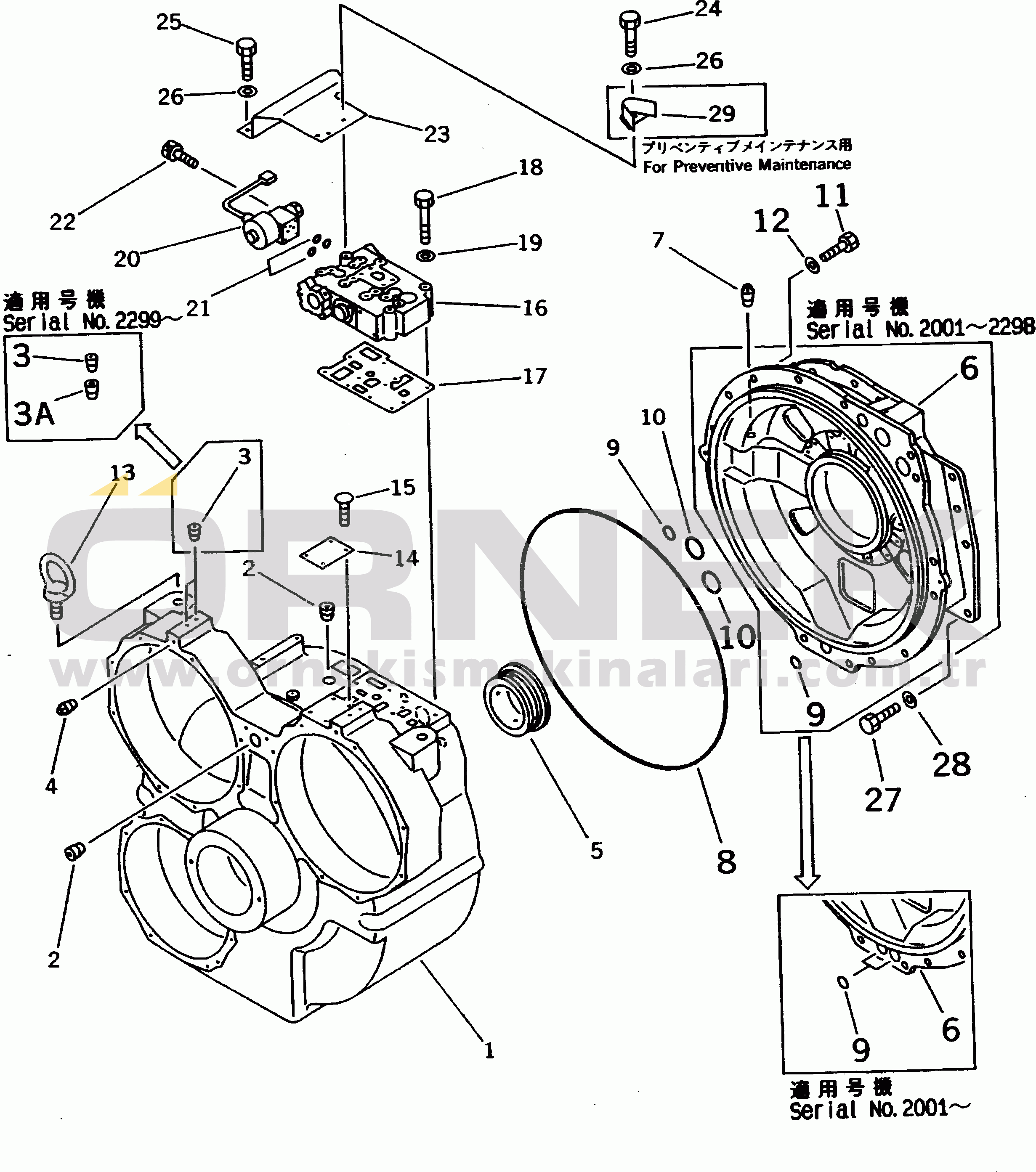
Komatsu HD785-3 S/N 2001-UP 561-13-43170

Komatsu HD785-3 S/N 2001-UP TORQUE CONVERTER (1/4) (CASE) Part No : 561-13-43170
Part Name : PLUG,(D=1.0MM)
Main Part : TORQUE CONVERTER (1/4) (CASE)
Machine Name : HD785-3 S/N 2001-UP
The item you selected, is the part with no 4 at picture.
DETAILS
PLEASE CONTACT US FOR PRODUCT INFO, PRODUCT PRICE AND AVALIABILITY.